- 銷售一部:王經理
- 銷售電話:18672222488
- 銷售二部:劉經理
- 銷售電話:13451281322
- 銷售三部:王經理
- 銷售電話:13872882215
- 固定電話:0722-7029866
- 固話傳真:0722-3220988
- 微信公眾號:wxq18672222488
- 在線咨詢:18672222488

- 企業郵箱:clqcdy@163.com
湖北程力環衛吸糞吸污車使用說明書(吸污車如何操作和注意事項)
導讀:湖北程力環衛吸糞吸污車在高度真空狀態下進行吸泥、污水吸入作業,特別要注意其操作。吸污車是由汽車底盤、取力器、傳動軸、真空吸污泵、壓力罐體、液壓部分,管…
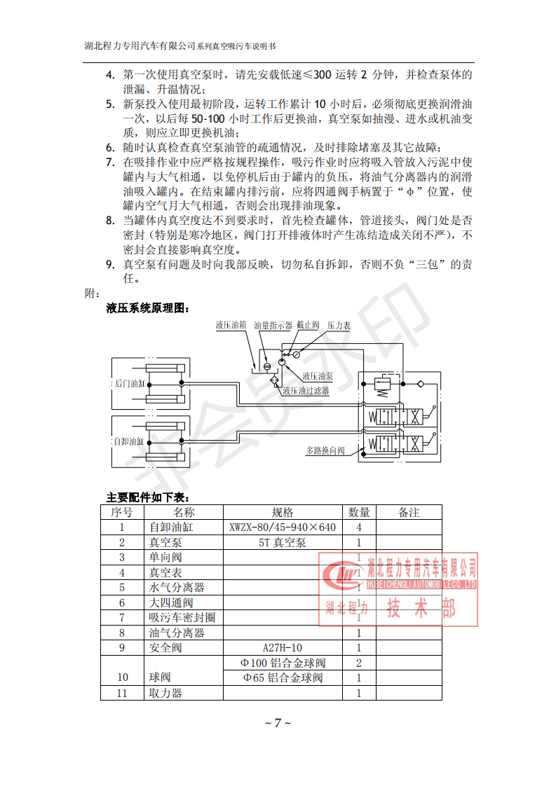
湖北程力環衛吸糞吸污車在高度真空狀態下進行吸泥、污水吸入作業,特別要注意其操作。 吸污車是由汽車底盤、取力器、傳動軸、真空吸污泵、壓力罐體、液壓部分,管網系統、真空壓力表、視糞窗、洗手裝置等組成,隨車配置大功率真空吸污泵和優質液壓系統,罐體封頭一次壓制成型、罐體可后開、雙頂自卸。具有真空度高、噸位大、效率高、用途更廣泛的特點,可廣泛適用于收集城市雨水井、檢查井及各種溝渠內的污泥、污水或石油化工污水池淤積物的抽吸、裝運和排卸。罐內污物可通過后蓋直接傾倒,應用于大、中、小城鎮環衛、市政、農業、化工、廠礦企業、物業小區等部門。 下面是吸污車如何操作和注意事項:![]() ![]() ![]() ![]() ![]() ![]() ![]() ![]() ![]() |










